2BV型水环式真空泵的主要应用领域 |
|||
真空过滤 |
(化学制品过滤厂,化学制品处理厂,铁矿厂,采矿业,磷肥厂,造纸厂,家禽加工厂,选煤厂) |
蒸汽回收 |
(蒸馏器,装卸站) |
水泵引水 |
(自来水厂) |
||
冷凝器水箱补水 |
(电站) |
||
真空蒸馏 |
(牛奶厂,食品厂,化工厂,纸浆厂) |
烘干 |
(化工、医药制造业) |
真空消毒 |
(医院,医务室,实验室) |
木材处理/干燥 |
|
挤出成型 |
(塑料行业) |
医药/实验室真空 |
|
成型 |
(塑料,聚乙烯,橡胶,轮胎等制造业) |
溶剂回收 |
|
浸渍 |
(食品加工,木器加工,纺织厂,胶合板厂,电线杆的制造等) |
土壤净化 |
|
真空包装 |
|||
液体脱气 |
(食品加工,水软化,瓶装厂) |
萃取 |
|
压缩空气再生 |
(纸浆,钢铁,汽车,玻璃,化工) |
制革 |
|
食品加工 |
(食品加工厂,牛奶厂) |
罐装 |
|
![]() |
| 1、水环。2、泵盖。3、叶轮。4、吸气口。5、排气口 |
图1 水环真空泵及压缩机工作原理图 |
![]() |
![]() |
图2 2BV-2060/2061/2070/2071水环泵结构图 |
图3 2BV-5110/5111/5121/5131/5161水环泵结构图 |
1.泵盖 2.圆盘 3.平键 4.叶轮 5.机械密封 6.泵体 7.电动机 |
1.泵盖 2.圆盘 3.平键 4.叶轮 5.机械密封 6.泵体 7.电动机 |
![]() |
图4 2BV-6110/6111/6121/6131/6161水环泵结构图 |
1.泵盖 2.圆盘 3.平键 4.叶轮 5.机械密封 6.泵体 7.电动机 |
![]() |
图5 2BV 水环泵系统示意图 |
1. 2BV 真空泵 2. 供水管 3. 逆止阀 4. 吸气管 5. 气水分离器 6. 排气管 7. 溢水管 |
产品型号 |
极限压力
Mbar(Pa) |
最大气量
M3/min |
功 率
KW |
转 速
Rpm |
水耗量
L/min |
噪 声
dB(A) |
重 量
Kg |
2060 |
33(3300) |
0.45 |
0.81 |
2880 |
~2 |
62 |
20 |
2061 |
33(3300) |
0.87 |
1..45 |
2880 |
~2 |
65 |
22 |
2070 |
33(3300) |
1.33 |
2.35 |
2880 |
~2.5 |
66 |
31 |
2071 |
33(3300) |
1.83 |
3.85 |
2880 |
~4.2 |
72 |
42 |
5110 |
33(3300) |
2.75 |
4 |
1450 |
~7 |
63 |
78 |
5111 |
33(3300) |
3.83 |
5.5 |
1450 |
~8.5 |
68 |
100 |
5121 |
33(3300) |
4.68 |
7.5 |
1450 |
~10 |
69 |
145 |
5131 |
33(3300) |
6.68 |
11 |
1450 |
~15 |
73 |
165 |
5161 |
33(3300) |
8.3 |
15 |
970 |
~20 |
74 |
252 |
6110 |
33(3300) |
2.75 |
4 |
1450 |
~7 |
63 |
107 |
6111 |
33(3300) |
3.83 |
5.5 |
1450 |
~8.5 |
68 |
142 |
6121 |
33(3300) |
4.68 |
7.5 |
1450 |
~10 |
69 |
198 |
6131 |
33(3300) |
6.68 |
11 |
1450 |
~15 |
73 |
238 |
6161 |
33(3300) |
8.3 |
15 |
970 |
~20 |
74 |
350 |
注:1、表中所列数据在下列技术条件下测出:
① 大气压力101325Pa(1013mbar)
② 进水温度15℃
③ 吸入空气温度20℃
④ 空气相对湿度70%
2、 性能允许偏差±10%
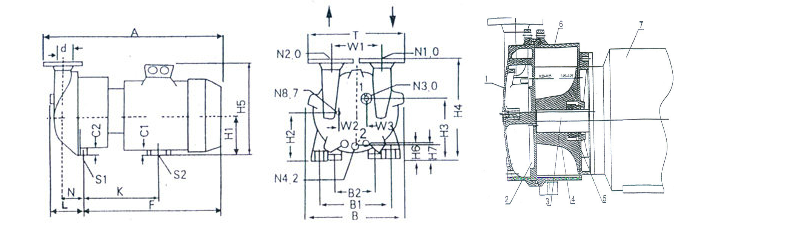
六、2BV型水环式真空泵的安装尺寸:

| A | B | B1 | H1 | H2 | H3 | H4 | H6 | E | P2 | P3 | R | M | S2 | W1 | W2 | W3 | d | N3.0 | N4.2 | N8.7 | |
| 2060 | 455 | 186 | 140 | 90 | 118 | 126 | 195 | 37.5 | 100 | 250 | 180 | 217 | 244 | Φ10 | 110 | 26 | 21 | G1″ | G3/8″ | G1/4″ | G3/8″ |
| 2061 | 476 | 186 | 140 | 90 | 118 | 195 | 195 | 37.5 | 100 | 250 | 180 | 236 | 263 | Φ10 | 110 | 26 | 21 | G1″ | G3/8″ | G1/4″ | G3/8″ |
| 2070 | 545 | 223 | 160 | 222 | 100 | 128 | 222 | 33 | 140 | 270 | 203 | 252 | 280 | Φ12 | 110 | 33 | 27 | G1″ | G3/8″ | G1/4″ | G3/8″ |
| 2071 | 566 | 223 | 234 | 140 | 112 | 140 | 234 | 45 | 190 | 300 | 225 | 278 | 309 | Φ12 | 110 | 33 | 37 | G1″ | G3/8″ | G1/4″ | G3/8″ |
![]() |
|
N1.0 吸气口。N2.0 排气口。N3.0 工作液接口。N4.2 排水口。N8.7 气蚀保护(内置) |
|
2BV-5110/5111/5121/5131/5161水环真空泵外形尺寸 |
|
| A | B | B1 | B2 | C1 | C2 | H1 | H2 | H3 | H4 | H5 | H6 | H7 | F | K | L | N | T | S1 | S2 | d1 | d2 | d3 | d4 | d5 | W1 | |
| 5110 | 637 | 325 | 255 | 190 | 41 | 26 | 140 | 156 | 202 | 361 | 328 | 38 | 57 | 464 | 320 | 130 | 92 | 340 | Φ12 | Φ12 | 19 | 160 | 123 | 97 | 52 | 180 |
| 5111 | 672 | 325 | 265 | 290 | 38 | 26 | 150 | 166 | 212 | 371 | 363 | 48 | 68 | 500 | 325 | 130 | 92 | 340 | Φ12 | Φ12 | 19 | 160 | 123 | 97 | 52 | 180 |
| 5121 | 771 | 347 | 265 | 290 | 36 | 26 | 150 | 167 | 217 | 385 | 363 | 39 | 60 | 584 | 410 | 147 | 97 | 382 | Φ12 | Φ12 | 19 | 182 | 142 | 113 | 67 | 200 |
| 5131 | 840 | 377 | 300 | 335 | 35 | 30 | 175 | 194 | 249 | 427 | 435 | 53 | 76 | 659 | 440 | 147 | 103 | 382 | Φ12 | Φ12 | 19 | 182 | 142 | 113 | 67 | 200 |
| 5161 | 1044 | 479 | 370 | 389 | 52 | 30 | 210 | 225 | 303 | 521 | 485 | 51 | 80 | 808 | 570 | 201 | 138 | 450 | Φ15 | Φ15 | 22 | 200 | 156 | 130 | 80 | 250 |
| W2 | W3 | d(N1.0,N2.0) | N3.0 | N4.2 | N8.7 | |
| 5110 | 52 | 27 | DN50/2″ | G3/4″(丝长24) | G3/8″(丝长25) | G3/8″(丝长11) |
| 5111 | 52 | 27 | DN50/2″ | G3/4″(丝长24) | G3/8″(丝长25) | G3/8″(丝长11) |
| 5121 | 57 | 29 | DN65/2 |
G3/4″(丝长24) | G3/8″(丝长25) | G3/8″(丝长11) |
| 5131 | 63 | 32 | DN65/2 |
G3/4″(丝长24) | G3/8″(丝长25) | G3/8″(丝长11) |
| 5161 | 81 | 41 | DN80/3″ | G3/4″(丝长24) | G3/8″(丝长25) | G3/8″(丝长11) |
![]() |
|
N1.0 吸气口、N2.0 排气口、N3.0 工作液接口、N4.2 排水口、N8.7 气蚀保护(内置) |
|
2BV-6110/6111/6121/6161/水环真空泵外形尺寸 |
|
| Amax | B | B1 | C1 | F1 | F2max | H1 | H2 | H3 | H4 | H6 | H7 | K | L | N | |
| 6110-H..0 | 1097 | 330 | 255 | 26 | 291 | 446 | 160 | 173 | 223 | 381 | 58 | 77 | 319 | 319 | 281 |
| 6110-K..0 | 1190 | 330 | 255 | 26 | 291 | 540 | 160 | 173 | 223 | 381 | 58 | 77 | 319 | 319 | 281 |
| 6111-K..0 | 1291 | 330 | 279 | 26 | 360 | 500 | 180 | 196 | 242 | 401 | 78 | 97 | 349 | 349 | 311 |
| 6121-K..0 | 1332 | 351 | 279 | 26 | 361 | 540 | 180 | 197 | 247 | 415 | 69 | 90 | 384 | 384 | 340 |
| 6131-K..0 | 1525 | 382 | 320 | 26 | 461 | 615 | 215 | 234 | 287 | 467 | 93 | 116 | 405 | 405 | 353 |
| 6161-K..0 | 1680 | 484 | 320 | 26 | 461 | 705 | 230 | 230 | 310 | 526 | 56 | 85 | 477 | 477 | 413 |
| W1 | W2 | W3 | S1 | T | d1 | d2 | d3 | d4 | d5 | d(N1.0, N2.0) | N3.0 | N4.2 | N8.7 | |
6110-0..... |
180 | 52 | 27 | Φ13×23 | 340 | 19 | 160 | 123 | 97 | 52 | DN50/2″ | ″DN15+G3/4″(丝长24) | G3/8″(丝长25) | G3/8″(丝长11) |
6110-0..... |
80 | 52 | 27 | Φ13×23 | 340 | 19 | 160 | 123 | 97 | 52 | DN50/2″ | ″DN15+G3/4″(丝长24) | G3/8″(丝长25) | G3/8″(丝长11) |
| 6121-0..... | 200 | 57 | 29 | Φ13×23 | 382 | 19 | 182 | 142 | 113 | 67 | DN60/21/2″ | ″DN15+G3/4″(丝长24) | G3/8″(丝长25) | G3/8, , , ″(丝长11, ) | ,
| 6131-0..... | 200 | 63 | 29 | Φ13×27 | 382 | 19 | 182 | 142 | 113 | 67 | DN60/21/2″ | ″DN15+G3/4″(丝长24) | G3/8″(丝长25) | G3/8″(丝长11) |
| 6161-0..... | 250 | 81 | 41 | Φ13×27 | 450 | 22 | 200 | 156 | 130 | 80 | DN80/3″ | ″DN15+G3/4″(丝长24) | G3/8″(丝长25) | G3/8″(丝长11) |
七、2BV型水环式真空泵的设备安装
1、水环真空泵的安装:
水环真空泵和压缩机在安装时,安装面必须水平,并通过底角的孔用螺栓安装牢固。为防止在安装时焊渣进入真空泵,在安装时,应在吸气管上安装上过滤网。
2、水环真空泵气水分离器的安装
水环真空泵气水分离器可直接安装在水环真空泵的排气口上,并用螺栓固定牢固。气水分离器有一管路与泵相连,由此供给水环真空泵工作需水量,其余工作水由供水管供给,供水量大小由管路上的阀门调节。
水环真空泵或压缩机的进气管上应装有逆止阀,以便在停车时,防止真空泵或压缩机内的水在排气管方面的压力作用下返回系统。
八、2BV型水环式真空泵的启动及停车
1、水环真空泵启动
水环真空泵长期停车的泵在开动以前,必须用手转动数圈,以证实水环真空泵内没有卡住或其它损坏现象。
水环真空泵启动按以下顺序进行(参见图5)
(1)打开排气管阀门。
(2)启动电动机(应注意电机的正反转)
(3)迅速打开图5供水管2。逐渐增加供水量,至供水量符合规定要求为止,(应注意不要干运行真空泵)。
2、水环真空泵停车
水环真空泵停车按以下顺序:
(1)(如进气管有阀门)关闭进气管上的阀门。
(2)关闭供水管2,并迅速关停真空泵。
(3)停车后应将泵腔内的水放掉,以免再次启动时,会造成叶片与泵轴断裂。
九、2BV型水环式真空泵的维护
1、2BV型水环式真空泵为避免磨损叶轮、泵体或卡住叶轮,随气体和工作液进入泵腔的灰尘颗粒,可通过2BV型水环式真空泵泵底部的冲洗口冲洗掉。
2、如果用硬水作工作液,须经软化,或在一定周期内用溶液清洗泵。
3、2BV型水环式真空泵电动机常工作的轴承比周围温度高15℃~20℃,最高不允许超过55℃~60℃,正常工作的轴承每年应装油1-2次,每年至少清洗轴承一次,并将润滑油全部更换。
4、2BV型水环式真空泵采用的机械密封,出现泄漏现象,应检查机械密封的动、静环是否已损坏,或是密封圈已老化,如出现上述情况,均需更换新零件。
十、2BV型水环式真空泵的故障和消除方法
| 2BV型水环式真空泵故障现象 | 2BV型水环式真空泵可能原因 | 2BV型水环式真空泵排除方法 |
| 2BV真空泵电机不启动;无声音 | 两根电源线断裂 | 检查接线 |
| 电机不启动;有嗡嗡声 | 一根接线断,电机转子堵转 叶轮故障 电机轴承故障 |
必要时排空清洁泵,修正叶轮间隙 换叶轮 换轴承 |
| 电机开动时,电流断路器跳闸 | 绕组短路 电机过载 排气压力过高 工作液过多 |
检查电机绕组 降低工作液流量 降低排气压力 减少工作液 |
| 消耗功率过高 | 产生沉淀 | 清洁、除掉沉淀 |
| 2BV真空泵不产生真空 | 无工作液 系统泄漏严重 旋转方向错 |
检查工作液 修复泄漏处 更换两根导线改变旋转方向 |
| 2BV真空泵真空度太低 | 泵太小 工作液流量太小 工作液温度过高(>35℃) 磨蚀 系统轻度泄漏 密封泄漏 |
用大一点的泵 加大工作液流量 冷却工作液,加大流量 更换零件 修复泄漏处 检查密封 |
| 2BV真空泵尖锐噪声 | 产生气蚀 工作液流量过高 |
联接气体蚀保护件 检查工作液,降低流量 |
| 2BV真空泵泄漏 | 密封垫损坏 | 检查所有密封面 |
联系我们
电话:18112490880
Q Q:195599702
手机:13914175660
邮箱:13914175660@163.com
微信或支付宝扫一扫